Spec-engine racing has been around the automotive world for as long as anyone can remember. Most recently in the drag racing world, the NMRA’s Coyote Stock class, which utilizes a sealed Ford 5.0-liter crate engine, the sealed crate engine premise has proven to be a resounding success.
However, not all racers choose to stick to terra firma. The Red Bull Air Race takes traditional air racing, and adds aerobatics and precision flying in something that more resembles a three-dimensional autocross than the traditional oval-course maximum speed races most notably held in Reno, Nevada.
The Master Class of the Red Bull Air Race series adopted a spec sealed engine program, standardizing the engines of the competitors, in 2014. Based on the Lycoming Thunderbolt engine, which has proven itself as a robust, reliable powerplant for aerobatic aircraft, the Red Bull Air Race spec engine isn’t exactly off-the-shelf.

“These Lycoming Thunderbolts have been specially desigined for the Red Bull Air Race,” says Red Bull Air Race Technical Director Jim “Jimbo” Reed. “The standardization was for two reasons. One was to ensure all the teams had the same horsepower, ensuring the battle for the championship is fair and exciting. The second, and more important reason, is safety. Having a non-modified engine is more reliable than a modified engine, and when you’re flying at 200 knots 20 meters above the ground, reliability is a very good friend to have.”
The spec engines are increased performance models of the Lycoming 540 series of engines. As the name suggests, the engine displaces 540 cubic inches, out of six horizontally opposed, oversquare cylinders. A massive 5.125-inch bore coupled with a 4.375-inch stroke make for massive air-cooled cylinders. With an undisclosed compression ratio (we’d guess in the 8.8-9.0:1 range), the spec engine’s output is rated at 320 horsepower at 2,950 rpm – 20 horsepower and 250 rpm more than the highest-rated off-the-shelf Thunderbolt engine. “The teams are not allowed to modify or tune the engines in any way,” Reed states.
However, there is one area where the Red Bull Air Race pilots are allowed to alter settings, and that is with the air-fuel ratio, via a mixture control knob. As the engines run on gasoline, the stoichiometric ratio is the same as in gasoline powered racecars – 14.7:1. Pilots keep track of the mixture ratio the same way as well, with a wideband lambda sensor and gauge. Keeping AFRs where you want them is a little trickier than on a racetrack, because in addition to all of the standard variables, dynamic altitude changes are thrown into the mix.
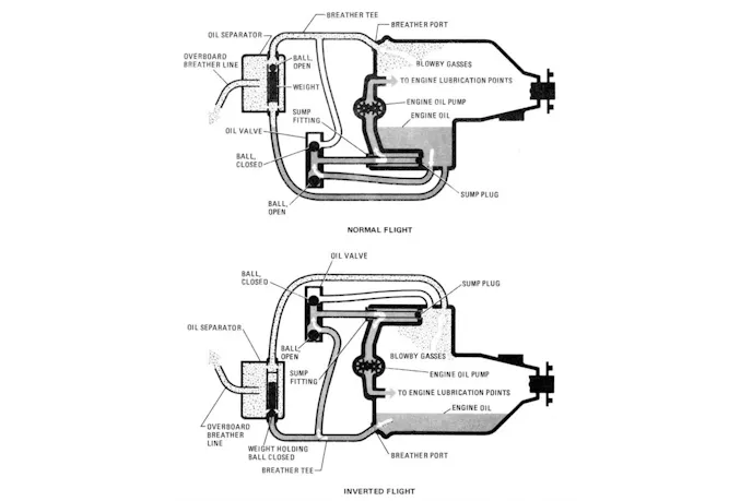
One of the unique challenges faced by Red Bull Air Race powerplants, and really, aerobatic engines in general, is the g-forces encountered while they are at max performance. While oil control is something that most motorsports engines are designed around, they are generally only combating acceleration and deceleration forces, with lateral forces in some motorsports which involve turning.
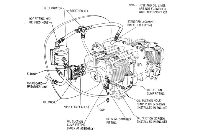
However when you add a third axis with g-forces which far exceed anything seen by a wheeled vehicle, things get interesting. “[the AEIO540-EXP] is rated as an aerobatic engine, so it has an inverted oil system,” explains Reed. “That consists of an air/oil separator, and an oil valve with weighted valves in them.” The check valves in the oiling system not only prevent oil starvation in high positive- and negative-g situations, but actually allow the system to function almost indefinitely in inverted flight, according to Reed.
These engines, much like the aircraft they power, are incredible feats of engineering, which could probably exceed the g-forces the human body is able withstand if left unchecked. If only they could develop a supplemental circulation system for the human body that operated as effectively as the inverted oiling system, then things would get really interesting.
You might also like
SEMA 2025: XR10 Motorsports Debuts 1,000HP LS V10 Engine
The XR10 Motorsports LS V10 is real. Debuting at SEMA 2025, this all-aluminum, 1,000-hp naturally aspirated engine reinvents a GM concept.