
One of the hottest trends, literally, in boosted engine design is reversing the locations of the exhaust and intake systems on V8 engine. The idea is to get the turbocharger as close to the exhaust valves as possible. Mounting it in the valley between the heads makes perfect sense to reduce turbo lag and take advantage of more heat coming out of the cylinder. Many diesel engines are designed this way, and remember the story EngineLabs ran a couple years ago showing a N63 engine running without the exhaust manifolds and flames were shooting out of the cylinder head? Gives you an idea of the heat potential available to the turbo!
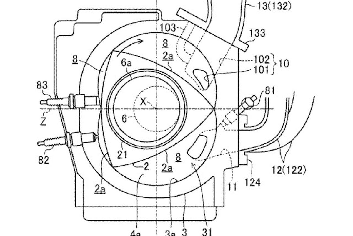
Mazda has somewhat the same idea for a next-generation rotary engine. According to patent papers recently filed, Mazda will rotate the SkyActiv-R engine 180 degrees, effectively positioning the exhaust outlet on top and the intake on the bottom. With the exhaust on top, the turbo housing can actually be mounted in a more efficient location for both power and packaging purposes.
There’s also an advantage for positioning the intake on the bottom side, according to the patent papers. Utilizing both a common and independent passages, engineers say there will b a “dynamic forced-induction effect caused by an inertia effect.”
Whether or not Mazda comes out with a new turbo rotary has yet to be seen. Mazda did show off a great looking RX-Vision Concept car at the Tokyo Motor Show last year. The automaker hasn’t offered a turbo rotary since the RX-7 in the mid-’90s, although the RX-8 had a NA rotary up through 2012.

And speaking of rotary engines, we can never get our fill of watching the assembly of a hot turbo rotary. The video below from RX7 Specialties walks the viewers through a 13B full bridge buildup using a stud kit. There are a lot of little tricks that help make horsepower and strengthen the engine. Very much worth a watch.
You might also like
Inside Ford Racing’s Return To Formula 1 Engines With EPARTRADE
EPARTRADE dives into Ford Racing's return to Formula 1 as an engine supplier, along with their numerous other engine development programs.